Rüzgarla çalışan su pompası Su pompaları suyun bir yerden başka bir yere aktarılması için kullanılan sistemlerdir. Su pompalarında suyun bir yerden başka yere aktarılmasında ihtiyaca göre su pompası belirlenmektedir. Örneğin...
Su Pompası Nasıl Çalışır?, Hidrolik Pompa Nasıl Çalışır?, Pistonlu Pompa Nedir? Nasıl Çalışır?, Santrifüj Pompa Nedir? Gibi Pompalar ve Nasıl Çalıştıkları Hakkında Yazıların Yer Aldığı Kategori.
Rüzgarla çalışan su pompası Su pompaları suyun bir yerden başka bir yere aktarılması için kullanılan sistemlerdir. Su pompalarında suyun bir yerden başka yere aktarılmasında ihtiyaca göre su pompası belirlenmektedir. Örneğin...
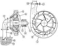
Santrifüj pompa nedir nasıl çalışır, pompalar çeşitli ihtiyaçlara göre geliştirildiği için buna bağlı olarak ta farklı özelliklerde üretilmektedir. Kulanım alanına göre en fazla ihtiyaç duyulan pompalardan birisi de santrifüj pompa çeşididir....